
P
产品展示
Product Display
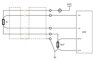
工作原理:
采集卡搭载高精度低漂移恒流源与精密电阻,恒流源激励温度传感器与精密电阻,产生电压信号,通过其两电压比值计算出温度传感器电阻值。根据传感器R-T换算公式得到温度值。
产品规格:
| 指标 | 单位 | 范围 |
|---|---|---|
| 传感器类型 | / | PT100 |
| 响应时间 | s | ≤3 |
| 工作温度 | ℃ | 18~26 |
| 传感器自热 | k/mW@0℃ | 0.08 |
| 封装接头 | / | 可定制 |
| 电气连接形式 | / | Lemo接头 |
| 阻值采集范围 | KΩ | 0-20 |
| 测量电阻的精密度 | mΩ | ≤300 |
| 测量精度 | mK | ±10 |
| 阻值重复性误差 | / | 可达≤0.5 |
| 采集频率 | Hz | ≤25 |
| 工作温度 | ℃ | 25±10 |
| 可定制指标 | / | 板卡外形、通道数量、传感器类型、通信接口等 |
应用场景:
电话:0571-61107105
E-mail:cheertech@cheertech.ltd。